• PRODUCTS (3)
  • CATALOGUES

  • WHITE PAPERS

  • PRESS RELEASES

  • Suggested offers
  • 0 results. Did you mean ?
  • Suggested categories
  • 0 results. Did you mean ?
  • Suggested companies
  • 0 results. Did you mean ?
  • Suggested offers
  • 0 results. Did you mean ?
  • Suggested categories
  • 0 results. Did you mean ?
  • Suggested companies
  • 0 results. Did you mean ?
Become a supplier
Help
My account

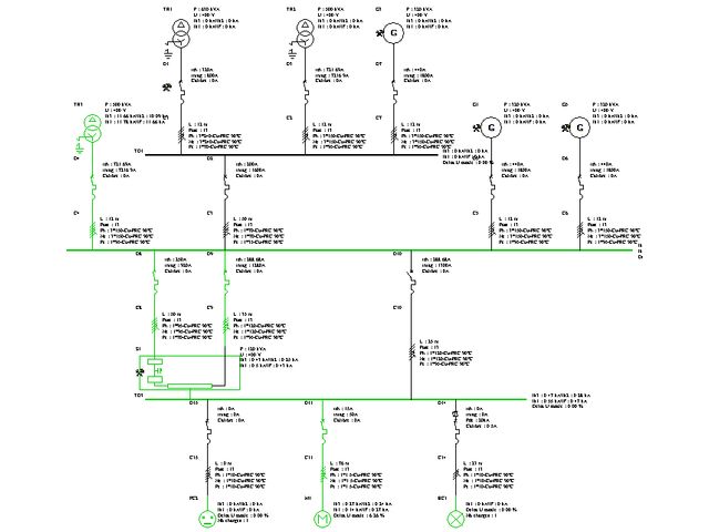
Elec Calc : Low Voltage installation calculation software

Design-Software

This product is temporarily unavailable.
Think about consulting similar products.

“ - Flexibility in the installation design - Very easy access to technical data - Choice of different operating modes (load shedding, reversing source, site, ...) - Multi-sources (different power levels and at any level) - Sources inverted with network 1, network 2 and bypass - Possibility to calculate the installation without selecting any equipment reference - Dynamic discrimination through graphs and smart cascading feature - Single-line diagram and single-line table at the AutoCAD format - Calculations multi-standard in real time (before 99, 2003, 2005) - Calculation with normative references for protection devices (notches settings, pinouts, ...) - Calculation wizard for the portion upstream of the HV source ”
Ask for a quote Receive Documentation Contact the supplier

Elec Calc is a calculation software for low voltage electrical installations, based on the requirements of the C15-500 guide and other French and international standards (NF C 15-100, RGIE for Belgium, IEC364, HD 384, IEC 64 , etc.).. Used by engineering offices, maintenance services, installers and control offices, Elec Calc enables the calculation of multi-standard facilities and also includes:

• a cascading module,

• a complete or partial discrimination feature,

• a selectivity graph automatically generated from the information provided by hardware manufacturers.

 

Essential electrical installation sizing tool

 

Elec Calc processes the calculation of sources, of conductor cross-sections, of short-circuit currents, the study of voltage drops, the sizing, the setting and the coordination of protection devices.

It manages multiple and complex sources, multi-standard installations in real time and for installations of all sizes. Operating modes can also be defined to manage various scenarios (load shedding, ...). It includes the power balance calculation and a calculation wizard for high voltage connection from upstream sources.

 

These calculations are performed either automatically based on sizing simulations, or in assisted mode (manual), as the user enters the parameters. They take into account:

• sources (all types of HV / LV transformers with sources in parallel; all kind of alternators ; LV / LV transformers, inverters, LV power supplies),

• distribution (all types of pipes, prefabricated ducts)

• protections (fuses, circuit breakers) with discrimination taken into account,

• receivers (lighting ; power ; ...).

 

Elec Calc provides a “smart” discrimination feature through discrimination tables provided by manufacturers for their product range while drawing the diagram and choosing the equipment, regardless of the number of protective devices located upstream .

 

Elec Calc generates a complete file with all line diagrams and calculation notes for the supervisory bodies and the facility manager.

See also

Wiring software Simulation software

Buyers

Find your suppliers Complete your request and let our teams find you the best deals available.

Suppliers

Find your future clients List your products and services to enhance your web presence and receive qualified enquiries.