• PRODUCTS (41)
  • CATALOGUE (1)
  • WHITE PAPERS

  • PRESS RELEASES

  • Suggested offers
  • 0 results. Did you mean ?
  • Suggested categories
  • 0 results. Did you mean ?
  • Suggested companies
  • 0 results. Did you mean ?
  • Suggested offers
  • 0 results. Did you mean ?
  • Suggested categories
  • 0 results. Did you mean ?
  • Suggested companies
  • 0 results. Did you mean ?
Help
Present my products
My account

Order Tracking Analysis

Noise and vibration software

Ask for a quote
Receive Documentation Contact the supplier
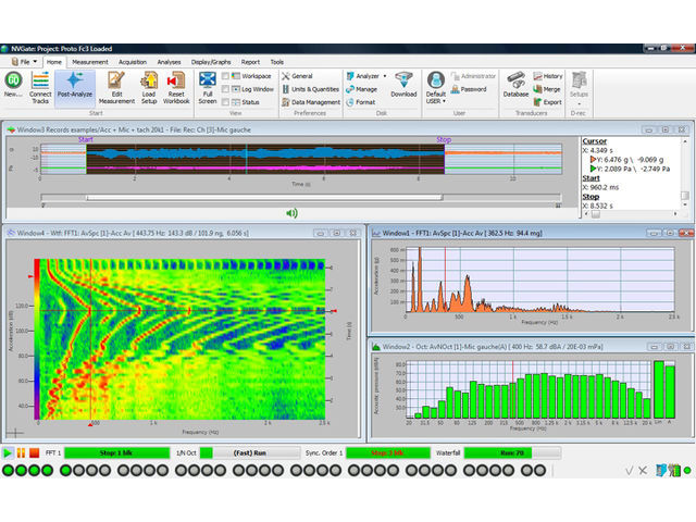
Order analysis and tracking techniques are essential in measurements with varying rotating speeds. Getting correct results from run-up/down requires specific signal processing techniques.

Provides stable and repeatable measurements for any speed-varying machinery. Using proven real-time angular resampling algorithms, SOA extracts amplitude and phase of orders; even from fast transients.

• Up to 40 kHz real-time analysis
• Order or angular domain averaging
• Max order contribution search
• Simultaneous order analysis on 2 shaft

This specific plug-in collects and synchronizes all data coming from the analyzers data stack. Results are sorted based on a choice of references for the Z Axis (RPM, time and levels) and represented in 3D or profile views (Bode plots, cross-phase tracking, ...).

Identifying the critical analysis item, such as speed, is then much easier as its effects are seen in different dimensions: order, frequency, octave. The section manager of the waterfall plug-in feature orders, overall, constant frequencies and spectra extraction in one click.

Helps the user acquire gearboxes’ modulated and often buried noise and vibration orders

OTHER PRODUCTS NOISE AND VIBRATION SOFTWARE FROM OROS

Check out all the products from noise and vibration software from OROS

INTERNET USERS ALSO CONSULTED ON THE CATEGORY NOISE AND VIBRATION SOFTWARE

Check out all the products from category noise and vibration software

See also

Measurement Software Data analysis software Meteorology software Machine vision software Calibration software Metrology software Other measuring softwares Spectrophotometric software

Buyers

Find your suppliers Complete your request and let our teams find you the best deals available.

Suppliers

Find your future clients List your products and services to enhance your web presence and receive qualified enquiries.
Ask for a quote